
- VK-BR ガラスボトル洗浄機
- VK-PF オイル充填機 4ヘッド
- VK-VC 真空キャッピングマシン
- VK-RPL 丸ボトルラベリングマシン
全自動充填ラインは、顧客の要件と購入者が提供するサンプルに応じてカスタマイズできます。以下に、食品業界向けのこの全自動充填ラインの基本情報を示します。
ガラスボトル空気洗浄機真空洗浄装置
空気による自動ボトル洗浄機です。能力は空気洗浄ノズルにより異なります。
エアコンプレッサーは真空容器内の空気を輸送し、ガスはソレノイドバルブとイオン発生器を通して浄化され、気管ガスシャンプーはガス洗浄口を通してボトルにガスを吹き込み、ガスの圧力によってガス洗浄口から異物を吹き出し、排出制御を介して気管から排出された廃ガスを外部に戻します。

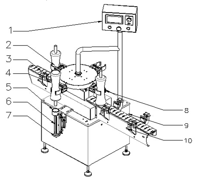
| 1 | コントロールパネル | 2 | ボトル |
| 3 | 哺乳瓶用ベルト | 4 | 哺乳瓶給餌用センサー |
| 5 | ボトル固定構造 | 6 | リンスインジェット |
| 7 | 静電羽口 | 8 | ボトル固定ポイント |
| 9 | ボトル排出用ベルト | 10 | ガイドバー |
ガラス瓶用自動回転空気洗浄機の基本パラメータ:

モデル: VK-BR
適合ボトル: 20-1000ml
生産能力: 洗浄ノズル8個: 3600~4800bph
空気圧範囲:6〜8kg/cm2
空気消費量: 25m3/h
電源: 220V 50/60Hz
消費電力: 0.75Kw
単一機械騒音: ≤70dB
精製空気: 0.2μm
洗浄時間: 3~5秒
正味重量: 350kg
全体寸法: 1200 x 800 x 1600mm
オイル充填機 4ヘッドリニアフィラー

マイクロコンピュータで制御される 4 ヘッド オリーブ充填機は、光電式と空気圧式の操作を組み合わせているため、オリーブだけでなく、農薬、溶液、液体洗剤、化粧品などの液体充填に広く使用されています。
充填量は正確で、泡がなく、安定しています。機械は25〜1000mlの範囲の液体を充填でき、ボトルの形状に特別な要件はありません。つまり、通常のボトルだけでなく、イリューグラ型のボトルにも液体を充填できます。

モデル: VK-PF
充填範囲:50~3000ml
充填速度:<20-30b/m(500-1000mlの液体の場合)
精度: ±1%
電源/供給電力: 0.8kw、220v
作動圧力:5~6kg/cm3
空気消費量: 0.5~0.7mpa
重量: 500kg
外寸:2000×800×1900mm
マーク: 充填ノズルは、充填範囲と充填速度に関する顧客の要件に応じて設計および製造できます。
リニア真空キャッピングマシン Vk-Vc ジャーキャッパー機器:
このリニアキャッピングマシンは、当社が長年の経験を活かして研究開発したもので、国内では唯一のものです。カバーリングと真空キャッピングによるキャップの自動配置が統合されています。
手動真空ポンプを採用し、高真空を実現。ボトルなし、カバーなしの機能があり、キャップがない場合に警告を発します。高度な自動化を実現。主な空気圧および電気部品は世界的に有名なブランドのものです。
安定した信頼性の高い性能を備えており、缶詰食品、飲料、調味料、ヘルスケア製品などの業界で、鉄製のキャップが付いたガラス瓶の真空キャッピングに広く使用されています。

電力: ≤2.3KW(真空ポンプを含む)
生産能力: 50-60BPM
キャップ直径:¢30-¢55mm ¢50-¢85mm
ボトルの高さ: 80〜250mm
ボトル直径:¢30-¢85mm
最大真空度: -0.08mpa
キャッピングねじり: 5-20N.M
空気消費量: 0.6M3/0.7Mpa
機械寸法:約3000×1000×1900mm
重量: 約850kg
Vk-Rpl 丸型ボトル ジャー ラベリング マシン

応用: 膜に貼付されたラベルまたは製品の円周面が必要です。
業界: 食品、医薬品、化粧品、電子、金属、プラスチックなどの業界で広く使用されています。
応用: PET丸ボトルラベル貼り、ペットボトル、缶詰等のラベル貼り。

適合ラベル長さ(mm):20mm~314mm
適応ラベル幅(台紙幅/mm):15mm~150mm
適用製品直径(丸瓶用)と高さ:直径:φ25mm~φ100mm
高さ: 25mm ~ 230mm
適用標準ロール径(mm):φ280mm
適用標準ロール径(mm):φ76mm
ラベル精度(mm):±1mm
標準速度(m/分):サーボ:5~25m/分 ステップ:5~19m/分
ラベリング速度(個/分):ステップ:30〜80個/分(ボトルとラベルのサイズによる)
サーボ: 40 ~ 120個/分
コンベア速度(m/分):5~25m/分
重量(kg):約185kg
周波数(HZ):50HZ 電圧(V):220V
電力 (W): 530W (トラクションステッパー) 980W (トラクションサーボ)
装置寸法(mm)(長さ×幅×高さ):1950mm×1100mm×1300mm


木箱梱包:

充填ラインのアフターサービス

主要部品の品質は 12 か月保証します。1 年以内に人為的要因なしに主要部品に不具合が生じた場合は、無償で提供またはメンテナンスいたします。1 年経過後に部品交換が必要になった場合は、最適な価格でご提供またはお客様のサイトでメンテナンスいたします。使用中に技術的な質問がある場合はいつでも、全力でサポートいたします。
品質保証:
製造者は、商品が製造者の最高の材料で作られ、一流の技量で作られ、新品で未使用であり、本契約で規定されている品質、仕様、性能にあらゆる点で適合していることを保証するものとします。品質保証期間は、B/L の日付から 12 か月以内です。
メーカーは品質保証期間中、契約した機械を無償で修理します。
故障の原因が購入者の不適切な使用またはその他の理由によるものである場合、製造業者は修理部品の費用を徴収します。
インストールとデバッグ:
販売者は、エンジニアを派遣してインストールとデバッグを指導します。費用は購入者側が負担します (往復航空券、購入者の国での宿泊費)。購入者は、インストールとデバッグのために現地での支援を提供する必要があります。









